Projekce
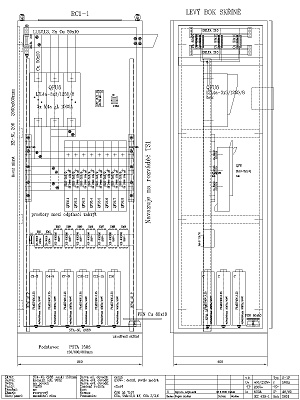
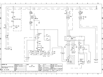
Působení v oblasti elektroinstalací a výroby rozváděčů úzce souvisí s dalšími našimi aktivitami. Poskytováním komplexních elektromontážních dodávek přináší potřebu poskytnout zákazníkům realizaci technické a projektové dokumentace.
	

 
					
				Působení v oblasti elektroinstalací a výroby rozváděčů úzce souvisí s dalšími našimi aktivitami. Poskytováním komplexních elektromontážních dodávek přináší potřebu poskytnout zákazníkům realizaci technické a projektové dokumentace.
	
